4 ªh®ð¦Àªº¬I¤u§Þ³N
¡@
¡@
4.1 ³Æ®Æ
«Ø¤@Ó8¥ß¤è¦Ìªºªh®ð¦À»Ýn¤ôªd1¾·¡B¬â¤l2¥ß¤è¦Ì¡B¸H¥Û(³W®æ1¡ã3Âç¦Ì)0.6¥ß¤è¦Ì¡B¬õ ¿j 600¶ô¡B³³²¡ºÞ(ª½®|20¡ã30Âç¦Ì)1¡ã2®Ú¡B¿ûµ¬(ª½®|14²@¦Ì)1.2¦Ì¡C¦pªG«Ø10¥ß¤è¦Ìªh®ð¦À ¡A¨ä¤ôªd¡B¿j¡B¬â¦A¼W¥[10%¡AY«Ø6¥ß¤è¦Ìªh®ð¦À¡A«h¤ôªd¡B¿j¡B¬â¤ñ8¥ß¤è¦Ìªh®ð¦À¥Î¶q n´î¤Ö10%¡C
4.2 ©ñ½u
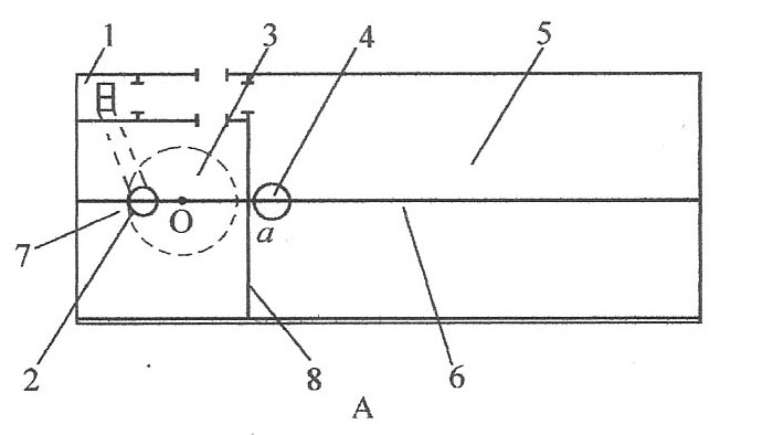
©ñ½u«õ§|¬O«OÃҫئÀ½è¶qªº²Ä¤@Ãö¡A¥²¶·«ö³W©w¤Ø¤o¬I¤u¡C¹Ï2.11¬O¤TºØ¡§¼Ò¦¡¡¨Á`Åé©ñ ½u§G¸m¹Ï¡A¨Ñ©ñ½u®É°Ñ¦Ò¡C¥H¹Ï2.11¤¤A¹Ï¬°¨Ò»¡©ú©ñ½unÂI¡G¹º¥XÁ`Å饱¡C¹º¥X·Å«Ç¡B½ÞªÙ±¿n¡A½ÞªÙ¦bªF°¼©Î¦è°¼¡C¹º¥X¡§¼Ò¦¡¡¨¼e«×¤¤¤ß½u¡C ¥HO¬°°_ÂI¡A¦b½ÞªÙ¤º°¼§ä¥X¦Àªº¤¤¤ßÂIO¡A¥HO¬°¶ê¤ß¡A¥H¦Àªº¥b®|¥[6Âç¦Ì¬°¥b®|¹º¶ê¡A½T©w¦Àªº¦ì¸m¡C½T©w¶i®Æ¤f¡B¥X®Æ¤f¦ì¸m¡Cn¦b¡§¼Ò¦¡¡¨¼e«×¤¤¤ß½u¤W½T©w¬°¶i®Æ¤f¤¤¤ßÂI©M¦ì©ó¤é¥ú·Å«Ç¤ºªº ¥X®Æ¤f¤¤¤ßÂI¡A¥Î¥Õ¦Ç°µ¦n¼Ð°O¡C

1.´Z©Ò 2.¶i®Æ¤f 3.ªh®ð¦À 4.¥X®Æ¤fúC5.¤é¥ú·Å«Ç
6.¼Ò¦¡¼e«×¤¤¤ß½u 7.½ÞªÙ 8.¤º¤sÀð
¡@
¡@

1. ´Z©Ò 2.¶i®Æ¤f 3.ªh®ð¦À 4.¥X®Æ¤fúC5.¤é¥ú·Å«Ç
6.½ÞªÙ 7.¼Ò¦¡¼e«×¤¤¤ß½u 8.¤º¤sÀð
¡@

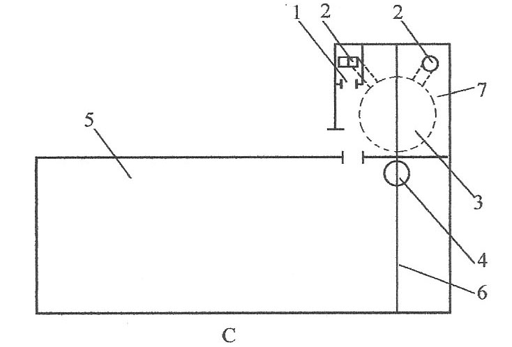
1.´Z©Ò 2.¶i®Æ¤f 3.ªh®ð¦À 4.¥X®Æ¤f 5.¤é¥ú·Å«Ç
6.½ÞªÙªF¦è¼e«×¤¤¤ß½u 7.½ÞªÙ
¹Ï2.11 ¤£¦P¡§¼Ò¦¡¡¨Á`Åé©ñ½u§G¸m¹Ï
¡@
4.3 ¦À§|¶}«õ
¦b¡§¼Ò¦¡¡¨¤º«Øªh®ð¦À§¡±Ä¥Î¦a¤U®I¦¡¡Aªh®ð¦À¤g¤è¤uµ{±Ä¥Î¤j¶}«õªº¬I¤u¤uÃÀ¡Cº¥ý¡AÀ³ ½T©w¦n¥¿t¹sªº°ª«×¡C¦À§|²`«×«ö³]p¹Ï½T©w¡A§Yªh®ð¦Àªº¦À³»»P¥X®Æ¤f«O«ù¦b¤@Ó¤ô¥ ±¤W¡A¨Ã°ª¥X½ÞªÙ¦a±10Âç¦Ì¡C¶i®Æ¤f¶W°ª¦a±2Âç¦Ì¡A¦pªG«õ±o¹L²`¨Ïªh®ð¦À§C©ó¦a¥±¡A¼vÅT°t®M¨Ï¥Î¡A«õ±o¹L²L¨Ïªh®ð¦À¬ð¥X¦a±¡Aµ¹¾i½Þ©M¤é¥ú·Å«Ç¬IªÎ³y¦¨§xÃø¡C¨ãÅ館¤o¦pªí2.1©Ò¥Ü¡C
ªí2.1 6¡ã10¦Ì3ªh®ð¦Àµ²ºc³W®æ¼Ð·Ç
|
®e¿n/¦Ì3 |
¤ºª½®|/¦Ì |
¦ÀÀð°ª/¦Ì |
¦À³»¥Ú°ª/¦Ì |
¦À³»¦±²v¥b®|/¦Ì |
¤ôÀ£¶¡ |
|
|
²`/¦Ì |
ª½®|/¦Ì |
|||||
|
6 8 10 |
2.40 2.70 3.00 |
1.00 1.00 1.00 |
0.48 0.54 0.60 |
1.74 1.96 2.18 |
2.10 2.18 2.28 |
0.90 1.00 1.10 |
¡@
¬°¤F«K©ó¦w©ñ«Ø¦À¼Ò¨ã©Î§Q¥Î¿j¼Ò¼å¿v¦ÀÅé¡A´î¤Ö§÷®Æ·l¯Ó¡A¦À§|n³W¶ê¤W¤U««ª½¡C¹ï©ó¤g½è¨}¦nªº¦a°Ï§|¾À¥i«õª½¡A¨ú¤g®É¥Ñ¤¤¶¡¦V¥|©P¶}«õ¡A¶}«õ¦Ü§|¾À®É¯d¦³¤@©w¾l¦a¡AµM «á«ö©w¦ì¼Î§ä¥X¤¤¤ßÂI¡A¨Ã°v¤@©T©wªº¤ì¼Î¡A¥Î¤@±øÃ·ªº¤@ºÝ©T©w¦b¤¤¤ßÂIªº¤ì¼Î¤W¡A÷ªº¥t¤@ºÝ¬C¤W¤@§â¤p§â¾S¡A¨Ï¾S¤M¨ì¤¤¤ßÂIªºªø«×µ¥©ó¦Àªº¥b®|¥[¤WÀð«p«×6Âç¦Ì¹º¶ê¡A¨í±¼ ªý ê³q¹Dªº¬â¤g¡AÃä«õÃä×¾ã¦À§|¡Aª½¨ì³]p²`«×¬°¤î¡C¦À§|«õ¦n«á°¨¤W±N¦À©³×¦¨Á穳§Îª¬¡F¥ÑÁ穳¤¤¤ß¦Ü¤ôÀ£¶¡©³³¡«õ¤@±øU§Î²L¼Ñ,¤Uªð©Y«×5%¡C¹ï©ó¤g½èÃP´²ªº¦a¤è¡A¦a±¥H¤U8 0Âç¦ÌÀ³©ñ©Y¨ú¤g¡A©Y«×¤j¤pn¬Ý¤g½èÃP´²µ{«×¦Ó©w¡A¥H§|¾À¤£§~¶ò¬°ì«h¡A¦P®É«õ¦n¶i¡B¥X®Æ¤f§|¡C¦p¦³¦a¤U¤ô¥X²{¡A¦À©³n«õ¶°¤ô§|¡A¥H«K±Æ¤ô¡C
«Ø¦À®É¹J¨ì¦a¤U¤ô¡A¥i±Ä¥Î¡§ÁסB¤Þ¡B°ô¡¨ªº¿ìªk¨Ó¸Ñ¨M¡C¡§Áס¨´N¬OÁ×¶}¦a¤U¤ô¡A¾¨¶q¤£¦b¦h«B©u¸`¬I¤u¡A¿ï¾Ü¦a¤U¤ô¦ì¸û§C¡B¦a¶Õ¸û°ªªº¦a¤è«Ø¦À¡A¤ôºô¦a°Ï¥i«Ø¶ê²y§Î¦À©Î´£°ª¦À¨¡A«Ø¦¨¥b¦a¤U¦À¡C¡§¤Þ¡¨´N¬O¤Þ¶}¦a¤U¤ô¡A¬I¤u«e«õ±Æ¤ô·¾¡A¾¨¶q±N¤ô¤Þ¨«¡C¦ÀÀ𺯤ô¡A ¥i±N¦ËºÞ´¡¤Jº¯¤ô³B©Î¦b¦À¾À¤WÆw¬P(¡§Y¡¨)§Î¤p·¾¡A¨Ï¤ô¶°¤¤±q·¾¤º¬y¦Ü¦À©³¡C¹ï©ó¦À©³º¯¤ô¡A¥i±Ä¥Î¤Q¦r·¾©ÎÀô§Î·¾¶°¤ô¡A¨Ã¦b¦À©³¤¤¥¡«õ¤@¸û²`¤p¤«¡A¨Ï¤ô¬y¤J¤«¤º¨V¨«¡A«Ý ¤uµ{§i¤@¬q¸¨µLº¯¤ô±Æ¥X®É¦A¶ñ¦¹¤«¡C¡§°ô¡¨´N¬O°ô¦í¦a¤U¤ô¡A¹ï¦À¤ºÓ§O¤p¬u²´¡A¥i¥Î¿j ÀY¡B¤p¥Û¶ô¶ëºò¡CY¤j±¿nº¯¤ô¡A¥i±Ä¥Î¤ô¬Á¼þÃIJG¨¾º¯¾¯ºU¤J¤ôªd¶i¦æ¯»¨ê¡A§Ö³t¾®©T¡A °ô¶ë¦³®Ä¡C¦P®É¡A¦b¤g½è®t¡B¦a¤U¤ô¦ì°ª³B«Ø¦À¡A¦À©³¤U±ÁÙ¥²¶·³]¸m¨F§Z¥Û¹Ô¼h¡A¨ä¹Ô¼h ªº¬I¤u¥i¥ý¾Q¬ä§Z¥Û¡A¦A¥Î¤ô¨Iªk¨Ï¨F¤lÀ½º¡§Z¥ÛªÅ»Ø¡A°_¨ì½T«O«Ø¦À½è¶qªº§@¥Î¡C¦p«Ø ¦À³õ¦a½TµL¦a¤U¤ô¡A¦À©³¥H¤U¥i¤£¥[¹Ô¼h¤Î±Æ¤ô±¹¬I¡C
¡@
4.4 §Q¥Î²V¾®¤g¼å¿v6¡B8¡B10¥ß¤è¦Ìªh®ð¦Àªº²{³õ¬I¤u
¥|¦ì¤¸¤@Åé¥ÍºA«¬¤j´×¼Ò¦¡¤¤ªºªh®ð¦À¡A¤@¯ë±Ä¥Î²Õ¦X¦¡«Ø¦À¡C©Ò¿×²Õ¦X¦¡«Ø¦À´N¬O¦À©³¡B¦À Àð¡B¤ôÀ£¶¡¤U³¡±Ä¥Î²V¾®¤g¾ãÅé²{¼å¡A¦À«ý»\¤Î¤ôÀ£¶¡¤W³¡±Ä¥Î¿j¬ä¡C¦b²{¼å©Õ¨î²V¾®¤g®É ¡A¥²¶·±±¨î¤ô¦Ç¤ñ0.65¡A¬â¤l¤¤ªd¤g§t¶q3%¡A¶³¥À§t¶q0.5%¡A¸H¥Û¤¤³Ì¤j²É®|3Âç¦Ì¡Aªd¤g§t¶q2%¡C²V¾®¤g¼å¿v¤u§Ç¥²¶·³sÄò¶i¦æ¡A¶¡Â_®É¶¡¤£±o¶W¹L1¤p®É¡A¼å¿v®É¥²¶· ®¶·o±K¹ê¡A¨¾¤î¥X²{¸ÁºÛ³Â±²{¶H¡C¬I¤u¶¶§Ç¦p¤U¡G
(1)¬ä¿v¥X®Æ¤f³q¹D¥X®Æ¤f³q¹D¦p¹Ï2.12©Ò¥Ü¡C¥X®Æ¤f³q¹D¥Î¬õ¿j¤Î¬â¦Ç¬ä¿v¡A¤ôªd:¬â ¤l¡×12.5¡C¬°¤F«K©ó¬I¤u¤Î¥X®Æ¡A¨ä³q¹D¤f¼e50Âç¦Ì¡A°ª70Âç¦Ì¡A³»³¡°_«ý¡A¦ý¤W ¤f¶Z¦À¤W«ý¨¤¤£±o¤p©ó35Âç¦Ì¡A¨¾¤î²£®ð¦h®É¤ô±¤Uªð¦Ó¶]®ð¡C
(2)¦ÀÀð¤Î¤ôÀ£¶¡¤U³¡ªº¼å¿v¦ÀÀð¤Î¤ôÀ£¶¡¤U³¡ªº¼å¿v¥i±Ä¥Î¿û¼Ò¡B¤ì¼Ò¤Î¿j¼Ò¡A¤@¯ë¤Wz¼Ò¨ã¬°¤º¼Ò¡A¦Ó¥H¦À¾À¬°¥~¼Ò¡C¥Ñ©ó¿û¼Ò³y»ù°ª¡A«Ü¤Ö±Ä¥Î¡A¦Ó¤ì¼Ò©M¿j¼Ò¥Îªº¸û¦h¡CY ¤@Ó§øùثئhÓªh®ð¦À¡A±Ä¥Î¤ì¼Ò¸û¤è«K¡AY¥u«Ø¤@Ó¡A«h±Ä¥Î¿j¼Ò¬°©y¡C±Ä¥Î¿j¼Òªº¤@¯ë ¬äªk¬O¡G¥ý§â¿j¥Î¤ô®ûÀã¡A¨¾¤î©î¼Ò§xÃø¡C¨C¶ô¿j¾î¦V¬ä¿v¡A¨C¼h¿j¿jÁ_¿ù¶}¡A¤£¥Î±aªd¤f©Î¦Ç¤f¡A°µ¨ì¬ä¤@¼h¿j¥Î²V¾®¤g¼å¿v¤@¼h¡A®¶·o±K¹ê«á¦A¬ä²Ä¤G¼h¡C²V¾®¤g°t¦X«¶q¤ñ¬°¤ôªd:¬â:¸H¥Û¡×1:3:3¡A¦ÀÀð°ª1¦Ì¡A«p0.05¦Ì¡C

¹Ï2.12 ¥X®Æ¤f³q¹D(³æ¦ì¡G²@¦Ì)
¡@
¡@
(3)¦À«ý»\ªº¬I¤u¥Ø«e¡A¡§¼Ò¦¡¡¨¤¤ªºªh®ð¦À«ý»\¥Î¿j¬ä¡A¡§¼Ò¦¡¡¨¤¤ªºªh®ð¦À¤@¯ë±Ä¥Î ª½ºÞ¶i®Æ¡A¦b¬ä¿v¦À«ý»\«en¦w¸Ë¦n¶i®ÆºÞ¡A¤@¯ë§Q¥Îª½®|200²@¦Ì¡Bªø600²@¦Ì¥ª¥kªº³³²¡ ºÞ¡AºÞ¤º¬ï÷¬C±¾¦b¦a±ªº¤ì¼Î¤W¡A¶i®ÆºÞ³â¥z¤f´Â¤W¡A¤W¤U««ª½¡Aºò¶K¦À¾À©T©w¦n¡C´¡¤J ¦À¤º²`«×«ý¨¤250¡ã300²@¦Ì¬°©y¡C¬ä¿v«ý»\¥i¥ÎÅK¹_©Î±¾Ã·ªk©T©w¿j¡A¥ý¥Ñ¶i®ÆºÞ³B¶}©l¬ä ¡A¶i®ÆºÞ©P³òn¥Î¤ôªd¥[©T¡C¬ä¿v«ý»\ªº¿j¡An¿ï¾Ü½è¶q¦nªº¡A¥ý¥Î¤ô®ûÀã¡A«O«ù¥~À㤺·F¡A¥Î1:2¤ôªd¬â¦Ç

¹Ï2.13 ¦À«ý»\¬I¤u¹Ï
¡@
¡@
¬ä¿v¡A¬â¦Ç©M©ö©Ên¦n¡A¦Ç¤f¹¡º¡¡A¿j»P¿jn³»ºò¡A¨C¬ä¿v¤@°é¡An¥Î¤p¥Û¤ù´O¨c¡AÃä¬ä¿vÃäª`·N«ý»\©·«×¡A¨C¬ä¿v3¡ã5°é¡A«ý»\¥~¾À¥Î1:3¤ôªd¬â¦Ç©ÙÄY©Ù¹ê¡A «ý¨¤³B²Ä1°é¿j¤W¼h©Ù¦Ç®É¡A«p«×n¹F¨ì30¡ã50²@¦Ì¡A¥Î¥H¥N´À°é±ç¡CÀH¬äÀH©Ù¦Ç¡AÀH§Y¥Ñ¥~¦V¤º§¡¤Ã¦a¦^¶ñ¤g¡C¦^¶ñ¤g«e¡A¶i®ÆºÞ¤W³¡¤]n¬ä´X¼h¿j¡A¨¾¤î¦^¶ñ¤g¥Ñ¶i®ÆºÞ¶i¤J¦À¤º¡A¶i®Æ¤f¼e¥H240²@¦Ì¬°©y¡Aªø«×¦]¤á¦Ó²§¡Cª`·N²Ä¤@¦¸¦^¶ñ¤g¬ù60%§Y¥i¡A¨¾¤î¶ò¤è ¡A¨ä¾l¤g¶q ¦b¦¸¤é¦À¤º±K«Ê«e¦^¶ñ¤@³¡¤À¡A¾ãÅé¦À§¹¤u10¤Ñ«á¥i¥þ³¡¦^¶ñ§¹¡C¦À«ý»\¬I¤u¹Ï¦p ¹Ï2.13©Ò¥Ü¡C¦b¬ä¿v¦À«ý»\ªº¦P®É¡AÀ³§â¤ôÀ£¶¡ªº¤W³¡¬ä¦n¡C¤ôÀ£¶¡¤W¥b³¡¥Î1/4 ¿j¥ß¬ä¡A1?3¤ôªd¬â¦Ç¼å¿v¡C
·í¬ä¿v¦À«ý»\n«Ê¤f®É¡A¦b«ý³»¥¿¤¤¥¡¦w©ñª½®|¬°9¡ã10²@¦Ìªº»É¾É®ðºÞ¡A´¡¤J²`«×¥H¦À¤º ±K«Ê¼h§¹¤u«áÅS¥X10²@¦Ì¥ª¥k¬°©y¡A«ý³»¤¤¥¡¥Î4±ø500¡ã700²@¦ÌªøÅKµ¬Â\©ñ¦¨¡¦r«¬¡A©Ù ¦Çn¥[«p¥[©T¡A¥H¨¾ªh®ð¦À¹B¦æ®ÉÀ£¤O¹L¤jº¦Ãa®ð½c¡C¦b¾É®ðºÞ©P³ò¡A¬ä¤@Ó²`200¡ã300²@ ¦Ì¡AÃäªø180¡ã200²@¦Ìªº¤è«¬³òÅ@Àð¡A¦b¿é®ðºÞ¤Þ¥X¤è¦V¹w¯d¥X¯Ê¤f¡C½ÞªÙ¦a±¥H¤U¥i¬ä·t ·¾©Î©ñ¤@Ó¤º®|¬°20¡ã50²@¦ÌÅKºÞ©Î¶ì½¦Å@ºÞ¡A¥H«K¤Þ¥X¿é®ðºÞ¡C¾É®ðºÞ¤W±»\¤W¬¡°Ê»\ªO¡A ¨¾¤î¿é®ðºÞ³Q½Þ°ÙÃa¡C¬¡°Ê»\ªO³W®æ240²@¦Ì¡Ñ240²@¦Ì¡A«p«×¬°50¡ã60²@¦Ì¡A¥i¥Î2¶ô¬õ¿j¥N´À¡A¦p¹Ï2.14©Ò¥Ü¡C

¹Ï2.14 ¾É®ðºÞ¦w¸Ë¦ì¸m¥Ü·N¹Ï
¡@
¡@
(4)¦À©³¬I¤u ¦À©³¥ý¾Q¤@¼h¸H¥Û¡A¥Î1:4ªº¤ôªd¬â¼ß±N¸H¥ÛÁ_»ØÄ麡¡AµM«á¦A¥Î¤ôªd¡B¬â ¤l¡B¸H¥Û¥H1:3:3ªº²V¾®¤g¼å¿v¦À©³¡A«p«×n¹F¨ì8¡ã12Âç¦Ì¡C
(5)ªh®ð¦À¦ÀÅ餺³¡±K«Ê¥Ñ¿j©M²V¾®¤g²Õ¦X«Ø³yªºªh®ð¦À¥u¾aµ²ºc¼hÁÙ¤£¯àº¡¨¬¨¾º¯º|n¨D ¡A¥²¶·¹ï¦ÀÅé¶i¦æ±K«Ê³B²z¤~¯à¤£º|®ð¡B¤£º|¤ô¡Cªh®ð¦À±K«Ê¼h±Ä¥Î7¼h°µªk©M3¼h°µªk¨âºØ ¡A¶J®ð«Ç¤Î¦À¤º¶i®ÆºÞ³¡¤À±Ä¥Î7¼h°µªk¡F¦À©³¡B¦ÀÀð¡B¤ôÀ£¶¡¡B¥X®Æ¤f³q¹Dµ¥±Ä¥Î3¼h°µªk¡C¨ä7¼h°µªk²Ä1¼h¥Î450¡¤ôªd¬â¦Ç¨ê¼ß¡A¦Ç:¤ô¡×0.3:1¡F²Ä2¼h©Ù¤ôªd:¬â¤l¡×1: 2.5ªº¤ôªd¬â¦Ç¡A«p«×¬°0.8¡ã1Âç¦Ì¡F²Ä3¼h©Ù0.1Âç¦Ì«p¯À¦Ç¡F²Ä4¼h©Ù¤ôªd:¬â¤l¡×1:2ªº¤ôªd¬â¦Ç¡A«p«×¬°0.4Âç¦Ì¡F²Ä5¼h©Ù0.1Âç¦Ì«pªº¯À¦Ç¡F²Ä6¼h¥Î1:1ªº²Ó¬â¦Ç©Ù0.3 ¡ã0.4Âç¦Ì¡F²Ä7¼h¨ê¯À¦Ç¼ß3¹M¡C¦Ó3¼h°µªk¬O²Ä1¼h»P7¼h°µªk¤¤ªº²Ä2¼h¤@°_°µ¡F²Ä2¼h»P7¼h°µªk¤¤ªº²Ä6¼h¤@°_°µ¡F²Ä3¼h»P7¼h°µªk¤¤ªº²Ä7¼h¤@°_°µ¡C
(6)¾iÅ@ ¥Î²V¾®¤g¼å¿vªº¨CÓ³¡¦ì¡A³£n¶i¦æ¾iÅ@¡An¨D¦b¥§¡®ð·Å¤j©ó5¢J±ø¥ó¤U¦ÛµM ¾iÅ@¡A¥~ÅS²V¾®¤gÀ³¥[»\¯óî¼å¤ô¾iÅ@¡A¾iÅ@®É¶¡¬°7¡ã10¤Ñ¡C¬K¡B¬înª`·N¦±ß¨¾á¡C¬°¹F¨ì¾iÅ@¥Øªº¡A¦bªh®ð¦À±K«Ê³B²z¥H«án§â¥X®Æ¤f¡B¶i®Æ¤f¡B¦À³»¤f¥ÎÁ¡½¤»\ÄY¡C¦ÛµM¾iÅ@ ´Á¹F¨ì«á¸gÀˬd¸ÕÀ£´N¥i¥H§ë®Æ¨Ï¥Î¡C«Ø¦À§¹¤u24¤p®É«á¦pªG¤U«BÀ³¤Î®É¦V¦À¤º¥[¤ô¡A¥[¤ô¶qÀ³¬O¦À¤º¸Ë®Æ®e¿nªº¤@¥b¡A¥H¨¾¦a¤U¤ô¦ì¤Wº¦¹ªÃa¦ÀÅé¡C
(7)ÀˬdÅ禬 ·s«Øªh®ð¦À©M¤j´«®Æ«á«O¾iºûÅ@ªºÂ¦À¡A¥²¶·¸g¹LÀˬdÅ禬¦X®æ¡A¤è¥i§ë®Æ ¨Ï¥Î¡C¨äÀËÅç¤èªk¤À¬°¨âºØ¡G
ª½±µÀˬdªk ¥²¶·¥þ¦À±j«×¾iÅ@¹F¨ì70%¥H¤W¤~¯à¶i¦æ¡A¥Î¤â«ü©Î¤p¤ì´Î¥nÀ»µL¼´ßªÅÅT ¡C¥þ¦À¤º¾ÀµLº¯¤ô²ª¸ñ¡AµLµõÁ_¡B¬â²´¡B¤Õ»Øµ¥¦×²´¥i¨£ªº¯Ê³´¡F¦À¥~¿é®ðºÞ½u¡B¶}Ãö µ¥°t®M³]¬I¦w¸Ë»ô¥þ¨c©T¡C
¸ÕÀ£Àˬdªk ¦bª½±µÀˬd§¹¦nªº°ò¦¤W¡A±ÀÂ˱ĥήðÀ£ÀËÅ笰¥D¡A¤ôÀ£ªkÀËÅ笰»²¡A¥ç¥i ²V¦X¨Ï¥Î¡C¤@¯ë§@ªk¬O¸Ë¤ô¦Ü¶i¡B¥X®ÆºÞ¤WºÝ20Âç¦Ì°ª«×¡AÆ[´ú12¤p®É¡A¤ô¦ì°§CµL©úÅãÅÜ ¤Æ¡Aµø¬°¤£º|¤ô¡F¦A¥Î¥´®ðµ©(¾÷)¥R®ð(©ÎÄé¤ô¼WÀ£)¡A¨ÏÀ£¤Oªí¹F¨ì³]pÀ£¤Oªº50%¡AÆ[¹î2 4¤p®É¡AYÀ£¤O¤£°§C¡AÄ~Äò¥´®ð¦Ü³]pÀ£¤O¡A¦AÆ[´ú24¤p®É¡AÀ£¤O°§CȦb³]pÀ£¤Oªº3%¥H¤º¡Aµø¬°¤£º|®ð¡C¥ç¥i±Ä¥ÎªÅ¦À«Ê³¬¶i¥X®Æ¤f¡Bª½±µ¥R®ð¸ÕÀ£ªº¤èªk¡An¨D¦P¤W¡C¸ÕÀ£¤¤³Ì¦n±N¿é®ðºÞ¸ô¥þ³¡±µ³q¡A¤À§OÀˬd¦³§_º¯º|²{¶H¡CÀˬd¤¤¦p¦³º|¤ô¡Bº|®ðªÌ¡A¶·¬d©ú³¡¦ì¡Bì¦]¡C¸g׸ɨϱj«×¹F¨ìn¨D«á¡A¦A¸g½ÆÅç¦X®æ¡A¤è¥i§ë®Æ¨Ï¥Î¡C¦ý¨Ï¥Î«e¡A¥²¶·±N¦h§Eªº¤ô©â¥h¡C¥¼¸g½ÆÅç¦X®æªÌ¡A¤£±o«j±j¨Ï¥Î¡C